全國客服熱線:
13371051536
欄目導航
- 手持氣象站
- 便攜式氣象站
- 車載氣象站
- 氣象監測設備
- 超聲波氣象站
- 防爆氣象站
- 森林氣象站
- 校園氣象站
- 雪深監測站
- 輸電線路微氣象站
- 雷電預警系統
- 機場氣象站
- 高精度風蝕自動氣象站
- 海洋氣象站
- 可升降避雷針
- 夜視儀
- 北斗環境監測站
- 光透過率檢測儀
- 交通氣象站
- 雷達測速儀
- 結冰監測
- 降水天氣現象儀
- 地質雷達探測儀
- 光伏氣象站
- 云高儀
- 全天空成像儀
- 太陽輻射檢測儀
- 人工太陽模擬器
- 太陽光度計
- 光伏電站灰塵監測系統
- 組件el測試儀
- 便攜式IV測試儀
- 電能質量檢測儀
- 組串電源
- 負氧離子檢測儀
- 負氧離子監測站
- 網格化空氣質量監測站
- 揚塵在線監測系統
- 走航監測設備
- VOC在線監測系統
- 煙氣分析儀
- 粉塵濃度測量儀
- 個體粉塵采樣器
- 惡臭在線檢測儀
- CEMS煙氣在線監測系統
- 氣體檢測儀
- 在線塵埃粒子計數器
聯系我們
王經理:13371051536
郵 箱:1401548526@qq.com
公 司:山東風途物聯網科技有限公司
地 址:山東省濰坊市高新區光電路155號光電產業加速器(一期)

大氣電場儀

一、大氣電場儀應用環境說明
大氣電場儀又稱電場檢測傳感器,大氣電場儀主要面向航天國防、氣象、石油石化、電網、景區、礦山、油庫、軍事等領域大氣電場探測和雷電局域短時預警的應用需求。大氣電場儀是一種高精度的雷電監測與預警設備,能夠實時監測大氣中的電場變化,精準捕捉雷電活動的蹤跡,為雷電災害的防范提供有力支持。
在氣象監測領域,大氣電場儀可廣泛應用于氣象臺站,對區域內的雷電活動進行連續、不間斷的監測,為天氣預報和氣象災害預警提供關鍵數據。通過對大氣電場變化的分析,氣象部門能夠提前預測雷電天氣的發生概率、強度和發展趨勢,及時發布雷電預警信號,為社會公眾、航空、航海等行業的安全運行提供重要參考依據。
對于各類易受雷擊的場所,如石油化工企業、通信基站、電力設施、高層建筑等,大氣電場儀可作為雷電防護的重要監測工具。在這些場所周邊安裝大氣電場儀,能夠實時掌握周邊大氣電場的動態變化,當監測到大氣電場強度超過預設的閾值時,及時觸發警報,提醒工作人員采取相應的防護措施,如停止戶外作業、關閉關鍵設備等,從而有效降低雷電災害對人員生命安全和設備設施造成的損失。
此外,在農業、林業等行業領域,大氣電場儀也具有一定的應用價值。在農業生產中,提前獲知雷電天氣信息有助于合理安排農事活動,避免因雷電天氣導致的農作物損失,同時也有利于保障農業作業人員的安全。在林業方面,可利用大氣電場儀監測雷電活動,預防雷擊引發的森林火災,為森林資源的保護提供保障。
二、大氣電場儀技術性能和規格
1.技術參數
| 量程 | -100kv/m——100kv/m |
| 精度 | ±0.001%F.S |
| 響應時間 | 3s |
| 外殼材質 | 6061鋁合金 |
| 供電電壓 | 12VDC(0.5W@12V) |
| 通訊方式 | Modbus-485 |
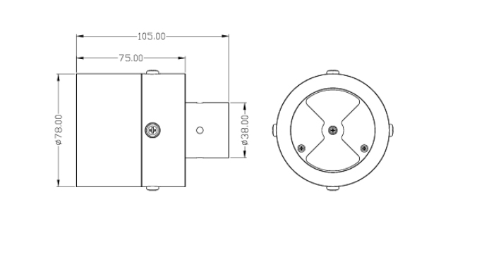
2.大氣電場儀尺寸圖
三、大氣電場儀安裝和電氣連接
1.安裝
1.1:本產品屬于較精密儀器,應該避免摔落沖擊等現象。
1.2:設備避免高溫,注意防水,防結冰;
1.3:開箱后的儀器應當保存在干燥、通風及無腐蝕性氣體的場所,搬運時應小心輕放,切忌劇烈振動。灰塵、潮濕以及劇烈的溫度變化會影響本產品的使用壽命,因此避免放置在這些地方。
使用時設備應有良好的接地
2.電氣安裝
線纜為4芯屏蔽線,線序定義:
1-紅色-電源線(12~24VDC)
2-藍色-地線(GND)
3-綠色-485B
4-黃色-485A
更新時間:2025-11-30
- 上一篇:景區雷電預警系統
- 下一篇:沒有了!



熱門搜索:


